Home
About us
Products
Military Products
Digital Bargraph Indicators
ALPHA-NUMERIC INDICATORS
RUGGEDIZED ANALOG ROUND PANEL METERS
RUGGEDIZED ANALOG EDGEWISE PANEL METERS
SUPERVISORY ALARM PANEL
Measuring Systems
TANK LEVEL INDICATOR SYSTEM
TEMPERATURE INDICATOR SYSTEM
ABSOLUTE PRESSURE TANK LEVEL SYTEM
SANITARY CONTROL SYSTEM
TDR BASED TANK LEVEL INDICATOR SYSTEM
COMMERCIAL PRODUCTS
PRECISION VOLTAGE/CURRENT SOURCES
ELECTRONIC TIMERS
PNEUMATIC TIMERS
MECHANICAL TIMERS
MULTI COLOR BARGRAPH INDICATORS
AC POWER MONITORS
PRECISION EDGEWISE PANEL METERS
STANDARD PANEL METERS
RTD SIMULATORS
RESISTANCE DECADE BOXES
PRECISION WIRE WOUND RESISTORS
DC POWER SYSTEMS
Resources
Support
Search
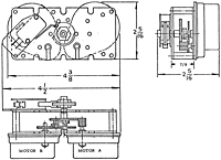
Dual - Speed Drive Series 030 Power Heads
Commercial
/
Timing
/
Timers By Function
/
Description
Choice of 3 Speeds.
Suitable for Powering Small Mechanisms.
Available with Switches Rated 10, 15, or 21 Amp.
UL and CSA Components Used in Construction.
Available in All international Voltages and Frequencies.
SKU:
Category:
Timing
Documents